Stocker Stahl AG Logo

Hygienespülung mit zwei Wasseranschluss

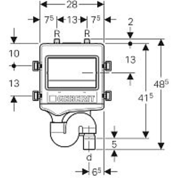
Beschreibung:

Verwendungszwecke
• Zum Verhindern von Stagnation in Trinkwasserleitungen
• Zum Vorbeugen gegen Verkeimung
• Zum Anschliessen von zwei Kalt- oder Warmwasserleitungen
• Zur Aufputzmontage
• Zur Unterputzmontage
• Für Geberit Duofix und Geberit GIS Vorwandinstallationen
• Zum Einbau in Reihen- und Ringleitungssysteme
Eigenschaften
• Spülprogramme wählbar, zeitabhängig
• Bedienung und Erstinbetriebnahme mit Geberit SetApp
• Protokoll für Spülzeiten mit Geberit SetApp auslesbar
• Schnittstelle Digital I/O und Schnittstelle RS485 zur
Einbindung in Gebäudeleittechnik
• Externer Temperatursensor anschliessbar
• Externer Temperatur- und Volumenstromsensor
anschliessbar
• Rückstausensor eingebaut
• Magnetventil stromlos geschlossen
• Aussengewinde MF 1/2" MasterFix- und MeplaFix-fähig
• Anschluss MF 1/2" mit blauer Schutzkappe
• Mit Siphon
• Montagetiefe verstellbar
• Zulassung nach (DIN) EN 1717 / (DIN) EN 13077
Technische Daten
Schutzart IP45
Betriebsspannung 12 V DC
Leistungsaufnahme 7.2 W
Leistungsaufnahme Standby 1 W
Fliessdruck 0.5-10 bar
Betriebstemperatur 0-70 °C
Spülleistung 2 x 10 l/min
Intervallspülung Werkseinstellung 72 h
Intervallspülzeit Werkseinstellung 180 s
Lieferumfang
• 2 Magnetventileinheiten mit Sicherungsstift und
Durchflussbegrenzer
• 2 Kupplungsstücke
• Netzteil 230 V / 12 V / 50 Hz mit Ausgangskabel Länge 5 m
• Steuereinheit
• Rohbauset
• Bauschutz ablängbar
• Befestigungsmaterial